Blog

100X遥控浮球阀

100X遥控浮球阀

100X遥控浮球阀

100X遥控浮球阀

100X遥控浮球阀

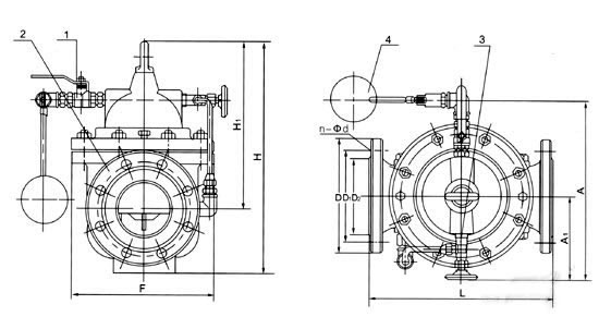
100X遥控浮球阀结构特点和用途

       100X遥控浮球阀由主阀、针阀球阀浮球阀、微型过滤器等组成水力控制接管系统,调定后,自动控制液面高度。
       本产品直接利用液面控制,不需要其它装置和能源,保养简便,液面控制准确度高,不受水压影响,密封可靠。
       本系列阀门产品广泛用于高层建筑、生活区等供水管网系统的水塔、水池等设施的液面控制。

压力等级:PN10pPN16pPN25
隔膜式:DN20~450
活塞式:DN350~800

100X遥控浮球阀工作原理

  当管道从进水端给水时,由于针阀球阀浮球阀是常开的,水通过微型过滤器针阀、控制室、球阀浮球阀进入水池,此时控制室不形成压力,主阀开启,水塔(池)供水。
  当水塔(池)的水面上升至设定高度时,浮球浮起关闭浮球阀,控制室内水压升高,推动主阀关闭,供水停止。当水面下降时,浮球阀重新开启,控制室水压下降,主阀再次开启继续供水,保持液面的设定高度。

100X遥控浮球阀主要技术参数

公称压(Mpa)
壳体试验压力(MPa)
密封试验压力(MPa)
适用介质
介质温度(℃)
1.0
1.5
1.1
0-80
1.6
2.4
1.76
2.5
3.75
2.75

100X遥控浮球阀主要零件材料

零件名称
零件材料
阀体 阀盖
WCB
阀座 阀盘
铜合金
密封圈 O型圈
丁腈橡胶
阀杆
2Cr13
弹簧
50CrVA
针型阀
铜合金
球阀
铜合金
浮球阀
铜合金
微型过滤器
不锈钢

100X遥控浮球阀部件列表:
1、球阀2、产阀3、针阀4、浮球阀

 

 
 
100X遥控浮球阀

100X遥控浮球阀连接尺寸

DN
L
A
A1
H
H1
F
D
mm
D1
mm
D2
mm
n-Φd
mm
mm
mm
mm
mm
mm
PN1.0

PN1.6

PN2.5
PN1.0

PN1.6

PN2.5
PN1.0

PN1.6

PN2.5
PN1.0

PN1.6

PN2.5
20
180
262
130
212
179
116
105
105
105
75
75
75
58
58
56
4-13.5
4-13.5
4-14
25
180
262
130
212
179
116
115
115
115
85
85
85
68
68
65
4-13.5
4-13.5
4-14
32
180
262
130
212
179
116
140
140
140
100
100
100
78
78
76
4-17.5
4-17.5
4-18
40
240
280
139
265
210
170
150
150
150
110
110
110
88
88
84
4-17.5
4-17.5
4-18
50
240
280
139
265
210
170
165
165
165
125
125
125
102
102
99
4-17.5
4-17.5
4-18
65
250
284
141
310
215
180
185
185
185
145
145
145
122
122
118
4-17.5
4-17.5
8-18
80
285
292
145
350
245
210
200
200
200
160
160
160
133
133
132
8-17.5
8-17.5
8-18
100
360
330
164
460
305
275
220
220
235
180
180
190
158
158
156
8-17.5
8-17.5
8-22
125
400
340
169
520
365
310
250
250
270
210
210
220
184
184
184
8-17.5
8-17.5
8-26
150
455
350
174
570
415
355
285
285
300
240
240
250
212
212
211
8-22
8-22
8-26
200
585
392
195
695
510
460
340
340
360
295
295
310
268
268
274
8-22
12-22
12-26
250
650
442
220
780
560
500
395
405
425
350
355
370
320
320
330
12-22
12-26
12-30
300
800
472
235
905
658
580
445
460
485
400
410
430
370
370
389
12-22
12-26
16-30
350
860
532
265
1025
696
640
505
520
555
460
470
490
430
430
448
16-22
16-26
16-33
400
960
582
290
1080
735
715
565
580
620
515
525
550
482
482
503
16-26
16-30
16-36
450
1075
632
320
1030
610
780
615
640
670
565
585
600
532
550
548
20-26
20-30
20-36
500
1075
682
350
1135
665
830
670
715
730
620
650
660
585
585
609
20-26
20-33
20-36
600
1230
762
390
1270
725
920
780
840
845
725
770
770
685
685
720
20-30
20-36
20-39
700
1650
832
420
1460
865
980
895
910
960
840
840
875
800
800
820
24-30
24-36
24-42
800
1750
932
470
1640
975
1050
1015
1025
1085
960
950
990
905
905
928
24-33
24-39
24-48

100X遥控浮球阀安装示意图

100X遥控浮球阀

相关水力控制阀产品系列:

H142X液压水位控制阀
 
JD745X型多功能水泵控制阀
 
YX741X可调式减压稳压阀
 
F745X型遥控浮球阀
 
100A角型定水位阀
 
AX742X安全泄压阀/持压阀
 
J145X电动遥控阀
 
100X遥控浮球阀
 
200X减压稳压阀
 
300X缓闭止回阀
 
400X流量控制阀
 
500X泄压阀/持压阀
 
600X水力电动控制阀
 
700X多功能水泵控制阀
 
800X压差旁通平衡阀
 
900X紧急关闭阀
 
HS41X防污隔断阀
 
HS41X-A带过滤防污隔断阀(管道倒流防止器)
 
YQ98006过滤活塞式电磁控制阀
 
YQ98005过滤活塞式电动浮球阀
 
YQ98004过滤活塞式止回阀
 
YQ98003过滤活塞式遥控浮球阀
 
YQ98002过滤活塞式安全泄压阀
 
YQ98001过滤活塞式减压阀
 
DY30AX快开快闭止回阀
 
DY30BX缓开快闭止回阀
 
F43X-10型双封自净式防逆水封阀
 
JM744X液动快开排泥阀
 
ZYA-9000活塞式水锤吸纳器
 
ZSJZ法兰式水流指示器