100x遥控浮球阀, 200x减压稳压阀, 300x缓闭止回阀, 500x, 700x多功能水泵控制阀, dy30bx缓开快闭止回阀, f745x型遥控浮球阀, h142x, hs41x, yq98003过滤活塞式遥控浮球阀, yq98005过滤活塞式电动浮球阀, 倒流防止器, 减压稳压阀, 多功能水泵控制阀, 平衡阀, 式止回阀, 快闭止回阀, 排泥阀, 止回阀, 泄压阀, 活塞式止回阀, 活塞式电动浮球阀, 活塞式遥控浮球阀, 流量控制阀, 浮球阀, 球阀, 电动控制阀, 电动浮球阀, 缓开快闭止回阀, 缓闭止回阀, 角型定水位阀, 过滤活塞式止回阀, 过滤活塞式电动浮球阀, 过滤活塞式遥控浮球阀, 遥控浮球阀, 针型阀, 防污隔断阀
|
2020-10-13 |
阀门大全
400X流量控制阀
400X流量控制阀

400X流量控制阀结构特点和用途
400X流量控制阀由主阀、流量调节阀、针阀、导阀、球阀、微形过滤器和压力表组成水力控制接管系统。利用水力自动操作,控制和调节主阀开度,使通过主阀的流量保持不变。
本产品利用水力自力控制,不需要其它装置和能源,保养简便,流量控制稳定。
本系列阀门产品广泛用于高层建筑、生活区等供水管网系统及城市供水工程。
400X流量控制阀工作原理
当阀门从进口端给水时,水流过针阀进入主阀控制室,并经过导阀、球阀流出主阀控制室到出口,此时主阀处于全开或浮动状态。调定主阀上部的流量调节阀,可为主阀设定一定开度。调节针阀开度和调节导阀弹簧压力,即可使主阀开度保持在设定开度,并在压力变化时导阀进行自动调节,保持流量不变。
400X流量控制阀主要技术参数
|
公称压(Mpa)
|
壳体试验压力(MPa)
|
密封试验压力(MPa)
|
出口可调压力(MPa)
|
压力特性
△P2P1 |
流量特性
△P2P1 |
适用介质
|
介质温度(℃)
|
|
1.0
|
1.5
|
1.1
|
0.09-0.8
|
P2×8%
|
P2×15%
|
水
|
0-80
|
|
1.6
|
2.4
|
1.76
|
0.10-1.2
|
P2×10%
|
P2×20%
|
||
|
2.5
|
3.75
|
2.75
|
0.15-1.6
|
P2×12%
|
P2×25%
|
400X流量控制阀主要零件材料
|
零件名称
|
零件材料
|
|
阀体 阀盖
|
WCB
|
|
阀座 阀盘
|
铜合金
|
|
密封圈 O型圈
|
丁腈橡胶
|
|
阀杆
|
2Cr13
|
|
弹簧
|
50CrVA
|
|
针型阀
|
铜合金
|
|
铜合金
|
|
|
浮球阀
|
铜合金
|
|
微型过滤器
|
不锈钢
|

400X流量控制阀部件列表:
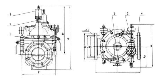
1、球阀2、导阀3、流量调节阀4、主阀5、压力表6、针阀
400X流量控制阀连接尺寸
|
DN
|
L
|
A
|
A1
|
H
|
H1
|
F
|
D
mm |
D1
mm |
D2
mm |
n-Φd
|
||||||||
|
mm
|
mm
|
mm
|
mm
|
mm
|
mm
|
PN1.0
|
PN1.6 |
PN2.5
|
PN1.0
|
PN1.6 |
PN2.5
|
PN1.0
|
PN1.6 |
PN2.5
|
PN1.0
|
PN1.6 |
PN2.5
|
|
|
20
|
180
|
292
|
136
|
342
|
247
|
116
|
105
|
105
|
105
|
75
|
75
|
75
|
58
|
58
|
56
|
4-13.5
|
4-13.5
|
4-14
|
|
25
|
180
|
292
|
136
|
342
|
247
|
116
|
115
|
115
|
115
|
85
|
85
|
85
|
68
|
68
|
65
|
4-13.5
|
4-13.5
|
4-14
|
|
32
|
180
|
292
|
136
|
342
|
247
|
116
|
140
|
140
|
140
|
100
|
100
|
100
|
78
|
78
|
76
|
4-17.5
|
4-17.5
|
4-18
|
|
40
|
240
|
330
|
155
|
395
|
278
|
170
|
150
|
150
|
150
|
110
|
110
|
110
|
88
|
88
|
84
|
4-17.5
|
4-17.5
|
4-18
|
|
50
|
240
|
330
|
155
|
395
|
278
|
170
|
165
|
165
|
165
|
125
|
125
|
125
|
102
|
102
|
99
|
4-17.5
|
4-17.5
|
4-18
|
|
65
|
250
|
350
|
165
|
405
|
298
|
180
|
185
|
185
|
185
|
145
|
145
|
145
|
122
|
122
|
118
|
4-17.5
|
4-17.5
|
8-18
|
|
80
|
285
|
365
|
175
|
430
|
313
|
210
|
200
|
200
|
200
|
160
|
160
|
160
|
133
|
133
|
132
|
8-17.5
|
8-17.5
|
8-18
|
|
100
|
360
|
410
|
195
|
510
|
350
|
275
|
220
|
220
|
235
|
180
|
180
|
190
|
158
|
158
|
156
|
8-17.5
|
8-17.5
|
8-22
|
|
125
|
400
|
455
|
220
|
560
|
365
|
310
|
250
|
250
|
270
|
210
|
210
|
220
|
184
|
184
|
184
|
8-17.5
|
8-17.5
|
8-26
|
|
150
|
455
|
475
|
230
|
585
|
420
|
355
|
285
|
285
|
300
|
240
|
240
|
250
|
212
|
212
|
211
|
8-22
|
8-22
|
8-26
|
|
200
|
585
|
530
|
255
|
675
|
450
|
460
|
340
|
340
|
360
|
295
|
295
|
310
|
268
|
268
|
274
|
8-22
|
12-22
|
12-26
|
|
250
|
650
|
623
|
300
|
730
|
470
|
500
|
395
|
405
|
425
|
350
|
355
|
370
|
320
|
320
|
330
|
12-22
|
12-26
|
12-30
|
|
300
|
800
|
700
|
340
|
760
|
490
|
580
|
445
|
460
|
485
|
400
|
410
|
430
|
370
|
370
|
389
|
12-22
|
12-26
|
16-30
|
|
350
|
860
|
840
|
415
|
840
|
526
|
640
|
505
|
520
|
555
|
460
|
470
|
490
|
430
|
430
|
448
|
16-22
|
16-26
|
16-33
|
|
400
|
960
|
880
|
430
|
910
|
570
|
715
|
565
|
580
|
620
|
515
|
525
|
550
|
482
|
482
|
503
|
16-26
|
16-30
|
16-36
|
|
450
|
1075
|
930
|
460
|
1030
|
610
|
780
|
615
|
640
|
670
|
565
|
585
|
600
|
532
|
550
|
548
|
20-26
|
20-30
|
20-36
|
|
500
|
1075
|
980
|
490
|
1135
|
665
|
830
|
670
|
715
|
730
|
620
|
650
|
660
|
585
|
585
|
609
|
20-26
|
20-33
|
20-36
|
|
600
|
1230
|
1060
|
530
|
1270
|
725
|
920
|
780
|
840
|
845
|
725
|
770
|
770
|
685
|
685
|
720
|
20-30
|
20-36
|
20-39
|
|
700
|
1650
|
1130
|
560
|
1460
|
865
|
980
|
895
|
910
|
960
|
840
|
840
|
875
|
800
|
800
|
820
|
24-30
|
24-36
|
24-42
|
|
800
|
1750
|
1250
|
610
|
1640
|
975
|
1050
|
1015
|
1025
|
1085
|
950
|
950
|
990
|
905
|
905
|
928
|
24-33
|
24-39
|
24-48
|
400X流量控制阀安装示意图
相关水力控制阀产品系列:
|
H142X液压水位控制阀
|
|
JD745X型多功能水泵控制阀
|
|
YX741X可调式减压稳压阀
|
|
F745X型遥控浮球阀
|
|
100A角型定水位阀
|
|
AX742X安全泄压阀/持压阀
|
|
J145X电动遥控阀
|
|
100X遥控浮球阀
|
|
200X减压稳压阀
|
|
300X缓闭止回阀
|
|
400X流量控制阀
|
|
500X泄压阀/持压阀
|
|
600X水力电动控制阀
|
|
700X多功能水泵控制阀
|
|
800X压差旁通平衡阀
|
|
900X紧急关闭阀
|
|
HS41X防污隔断阀
|
|
HS41X-A带过滤防污隔断阀(管道倒流防止器)
|
|
YQ98006过滤活塞式电磁控制阀
|
|
YQ98005过滤活塞式电动浮球阀
|
|
YQ98004过滤活塞式止回阀
|
|
YQ98003过滤活塞式遥控浮球阀
|
|
YQ98002过滤活塞式安全泄压阀
|
|
YQ98001过滤活塞式减压阀
|
|
DY30AX快开快闭止回阀
|
|
DY30BX缓开快闭止回阀
|
|
F43X-10型双封自净式防逆水封阀
|
|
JM744X液动快开排泥阀
|
|
ZYA-9000活塞式水锤吸纳器
|
|
ZSJZ法兰式水流指示器
|
