Blog

NKZ41H真空闸阀

NKZ41H真空闸阀

NKZ41H真空闸阀

NKZ41H真空闸阀

NKZ41H真空闸阀

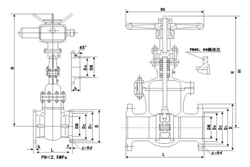
真空闸阀的用途:该阀门适用于工作温度≤425℃(铬钼钢材NKZ44Y型为≤550℃),工作介质为水、蒸汽或空气的管路上,作为启闭装置;尤其适用于火电厂汽机冷凝和真空负压系统,起真空隔离密封作用。

 

真空闸阀由普通手动闸阀改进而来,区别在于真空闸阀的填料密封处多加装一个真空密封环,具有自胀压紧作用。比普通闸阀的气密封性能更好。  

公称通径
DN/mm
Nominal
diameter
试验压力/MPa Seal test

壳体强度试验
Sheli strength

上密封试验
Back seal
密封试验
Seal test
1.0   1.1 1.1
1.6   1.8 1.8
2.5   2.8 2.8
4.0   4.4 4.4
6.4   7.0 7.0
10.O   11.0 11.O
 
产品类型 Product type 适用介质 Applicable medium 适用温度/℃ Applicable temperature
NKZ41H
NKZ44H
NKZ944H
NKZ941H
-C型
水、蒸汽、空气
Water,Stram.Air
≤425
NKZ41H
NKZ44H
NKZ944H
NKZ941H
Y-I型
水、蒸汽、空气
Water,Stram.Air
≤550
 
零件名称
Part name
阀体、阀盖
Body Bonnet
阀杆
Valve stem
阀板
Wedge gate
密封面
Sealing face
阀杆螺母
Yoke nut
填料
Packing
紧固件
Fastener
NKZ44
NKZ41
NKZ944
NKZ941
-C型
WCB 2Gr13 25 H:合金钢
H:alloy steel
铝青铜
Al
bronze
膨胀复合石墨
Expanding
compound
graphite
优质碳钢
High-grade
carbon steel
NKZ44
NKZ41
NKZ944
NKZ941
Y-I型
铬钼钢
Cr.M0 steel
20Cr1M01VA
38CrMoAIA
铬钼钢
Cr.Mo steel
Y:硬质合金
Y:carbide alloy
铬钼钢
Cr.Mo steel

真空闸阀主要尺寸/mm Main dimensions NKZ41H-10/NKZ941Y-10I NKZ44H-10/NKZ944Y-10I

NKZ41H真空闸阀
 

公称

通径

主要外形尺寸及连接尺寸(mm)

L

D

D1

D2

b

f

z-d

H

H1

H2

D0

手动(kg)

电动(kg)

50

250

160

125

100

18

3

4-18

350

400

640

220

25

72

65

265

180

145

120

20

3

4-18

375

450

670

240

31

74

80

280

195

160

135

20

3

4-18

433

528

720

280

40

86

1OO

300

215

180

155

22

3

8-18

502

620

800

320

55

94

125

325

245

21O

185

24

3

8-18

612

753

905

360

75

100

150

350

280

240

210

24

3

8-23

676

847

966

360

100

12 9

200

400

335

295

265

24

3

8-23

820

1039

1100

400

150

174

250

450

390

350

320

26

4

12-23

969

1245

1220

450

240

254

300

500

440

400

368

28

4

12-23

1142

1472

1527

500

310

294

350

550

500

46O

428

28

4

16-23

1280

1450

1665

55O

420

38O

400

600

565

515

482

3O

4

16-25

1452

1887

1870

600

600

930

450

650

615

565

532

30

4

20-25

1541

2011

1946

700

850

1235

500

700

670

620

585

32

4

20-25

1676

2181

2190

700

1100

1356

600

800

780

725

685

36

5

20-30

2000

2600

2510

800

1700

1830

700

900

8 9 5

840

800

40

5

24-30

2200

2900

2810

800

2100

2385

800

1000

1010

950

905

44

5

24-34

2360

3160

2950

800

2900

3100

真空闸阀主要尺寸/mm Main dimensions NKZ41H-16/NKZ941Y-16I NKZ44H-16/NKZ944Y-16I

公称

通径

主要外形尺寸及连接尺寸(mm)

L

D

D1

D2

b

f

z-d

H

H1

H2

D0

手动(kg)

电动(kg)

50

250

160

125

100

16

3

4-18

350

400

640

220

25

79

65

265

180

145

120

18

3

4-18

375

450

67O

240

31

85

80

280

195

160

135

20

3

8-18

433

528

720

280

40

94

100

300

215

180

155

20

3

8-18

502

620

800

320

55

99

125

325

245

210

185

22

3

8-18

612

753

905

360

75

139

150

350

280

240

210

24

3

8-23

676

847

966

360

100

154

200

400

335

295

265

26

3

12-23

820

1039

1100

400

150

210

250

450

405

355

320

30

3

12-25

969

1245

1220

450

240

300

300

500

460

410

375

30

4

12-25

1142

1472

1527

500

310

410

350

550

520

470

435

34

4

16-25

1280

1450

1665

550

420

548

400

600

580

525

485

36

4

16-30

1452

1887

1870

600

600

732

450

650

640

585

545

40

4

20-30

1541

2011

1946

700

850

982

500

700

705

650

608

44

4

20-34

1676

2181

2190

700

1100

1345

600

800

840

770

718

48

5

20-41

2000

2600

2510

800

1700

2180

700

900

910

840

788

50

5

24-41

2200

2900

2810

800

2100

2550

800

1000

1020

950

898

52

5

24-41

2360

3160

2950

800

2900

3380

真空闸阀主要尺寸/mm Main dimensions NKZ41H-25/NKZ941Y-25I NKZ44H-25/NKZ944Y-25I 
 

公称
通径

主要外形尺寸及连接尺寸(mm)

L

D

D1

D2

b

f

z-d

H

H1

H2

D0

手动
(kg)

电动
(kg)

50

250

160

125

100

20

3

4-18

35O

400

640

220

25

79

65

265

180

145

120

22

3

8-18

375

450

67O

240

31

85

80

280

195

60

135

22

3

8-18

433

528

720

280

40

94

100

300

230

190

160

24

3

8-23

502

62O

800

320

60

104

125

325

270

220

188

28

3

8-25

612

753

905

360

83

147

150

350

300

250

218

30

3

8-25

676

847

966

360

110

164

200

400

360

310

278

34

3

12-25

82O

1039

1100

400

164

224

250

450

425

37O

332

3 6

3

12-30

969

1245

1220

450

260

320

300

5a0

485

430

390

40

4

16-30

1142

1472

1527

500

345

445

350

55O

55O

490

448

44

4

16-34

1280

1450

1665

550

470

598

400

600

610

550

505

48

4

16-34

1452

1887

1870

600

690

822

450

650

660

600

555

50

4

20-34

1541

2011

1946

700

920

1052

500

700

730

660

610

52

4

20-41

1676

2181

2190

700

1200

1445

600

800

840

770

718

56

5

20-41

2000

2600

2510

800

1700

2180

700

900

955

875

815

60

5

24-48

2200

2900

281O

800

2300

275O

800

1000

1070

990

930

64

5

24-48

2360

3160

2950

800

3100

3580

真空闸阀主要尺寸/mm Main dimensions NKZ41H-40/NKZ941Y-40I NKZ44H-40/NKZ944Y-40I

公称
通径

主要外形尺寸及连接尺寸(mm)

L

D

D1

D2

D6

b

f

f2

z-d

H

H1

H2

D0

手动(Kg)

电动(kg)

50

250

160

125

100

88

2O

3

4

4-18

350

400

640

240

27

81

65

280

180

145

120

110

22

3

4

8-18

385

460

67O

280

38

92

80

310

195

160

135

121

22

3

4

8-18

443

538

72O

320

50

104

100

350

230

190

160

150

24

3

4.5

8-23

512

630

800

360

68

122

125

400

270

220

188

176

2 8

3

4.5

8-25

627

768

905

360

98

152

150

450

300

250

218

204

30

3

4.5

8-25

691

862

966

400

150

210

200

550

375

320

282

260

38

3

4.5

12-30

840

1059

1100

450

240

300

250

650

445

385

345

313

42

3

4.5

12-34

994

1270

1220

500

350

45O

300

750

510

450

408

364

46

4

4.5

16-34

1172

1502

1527

550

510

613

350

850

570

510

465

422

52

4

5

16-34

130

1480

1665

600

720

848

400

950

655

585

535

474

58

4

5

16-41

1502

1937

1870

700

1150

1282

真空闸阀主要尺寸/mm Main dimensions NKZ41H-64 NKZ941Y-64I
 

公称通径

主要外形尺寸及连接尺寸(mm)

L

D

D1

D2

D6

b

f

f2

z-d

H

H1

H2

D0

手动(kg)

电动(kg)

50

250

175

135

105

88

26

3

4

4-23

375

425

665

280

32

86

65

280

200

160

130

110

28

3

4

8-23

410

485

695

320

47

1O1

80

310

21O

17O

140

121

30

3

4

8-23

467

563

745

360

62

116

100

350

250

200

168

150

32

3

4.5

8-25

557

655

877

360

85

139

125

400

295

240

202

176

36

3

4.5

8-30

657

782

977

400

130

190

150

450

340

280

240

204

38

3

4.5

8-34

730

880

1050

400

195

255

200

550

405

345

300

2 60

44

3

4.5

12-34

880

1080

1305

450

370

473

250

650

470

400

352

313

48

3

4.5

12-41

1080

1380

1496

550

505

633

300

750

530

460

412

364

54

4

5

16-41

1252

1552

1666

600

700

828

350

850

595

525

475

422

60

4

5

16-41

1380

1730

1796

700

900

1032

400

950

67O

585

525

474

66

4

5

16-48

1580

1980

2115

700

1550

1795

真空闸阀主要尺寸/mm Main dimensions NKZ41H-100 NKZ941Y-100I 
 

公称通径

主要外形尺寸及连接尺寸(mm)

L

D

D1

D2

D 6

b

f

f2

z-d

H

H1

H2

D0

手动(kg)

电动(kg)

50

250

195

145

112

88

28

3

4

4-25

375

425

665

320

38

92

65

280

220

170

138

110

32

3

4

8-25

410

485

695

360

50

104

80

310

23O

180

148

121

34

3

4

8-25

467

563

745

360

72

126

1OO

350

265

210

172

150

38

3

4.5

8-30

557

655

877

400

83

143

125

400

310

250

210

176

42

3

4.5

8-34

657

782

1047

400

155

255

150

450

350

290

250

204

46

3

4.5

8-34

730

880

1125

450

210

313

200

550

430

36O

312

260

54

3

4.5

12-41

880

1080

1290

500

405

533

250

650

500

430

382

313

60

3

4.5

12-41

1080

1380

1536

600

550

682

300

750

585

500

442

3 64

70

4

4.5

16-48

1252

1552

1802

700

950

1195

350

850

655

560

498

422

76

4

5

16-54

1380

1730

1930

700

1500

1750

400

950

715

620

558

474

80

4

5

16-48

1580

1980

2220

800

1700

2150

相关闸阀产品系列:

Z941W电动不锈钢闸阀
 
Z41W不锈钢闸阀
 
NKZ41H真空闸阀
 
BZ41H不锈钢保温闸阀
 
Z45X弹性座封闸阀
 
Z41H法兰闸阀
 
DKZ61H水封闸阀
 
Z41T明杆铸铁闸阀
 
PZ41H排渣闸阀
 
PZ573H/Y伞齿轮对夹式刀型闸阀
 
PZ43H/Y链轮刀型闸阀
 
PZ73H手动刀型闸阀
 
Z973H电动刀型闸阀
 
Z673X气动浆液阀
 
DZ41H/Y低温闸阀
 
Z41H/W美标闸阀
 
FDZ45H防盗闸阀
 
DZ541H伞齿轮低温闸阀
 
Z44H/Z48H快速排污阀
 
Z15T内螺纹铸铁闸阀
 
Z63Y焊接式油田闸阀
 
Z83Y卡箍式油田闸阀
 
Z43Y油田闸阀