气阀门
|
2020-10-24 |
阀门大全
气动薄膜套筒调节阀 ZJHM
气动薄膜套筒调节阀-ZJHM因为其稳定性好、维护简单而广泛应用,可设计成平衡式消除了阀瓣上的大部分静态不平衡力,并有一定的阻尼作用,可以减小流体流动引发振动,能用于压差相对较大的场合,可选择多弹簧气动簿膜机构或电动执行机构等。
详细介绍
阀体部分:
| 阀体型式: | 直通铸造球型阀 |
| 公称通径: | DN20 、25 、32 、40 、50 、65 、80 、100 、200 |
| 公称压力: | PN 1.6、2.5、4.0、6.4、10.0Mpa |
| ANSI 150、300、 600Lb | |
| JIS 10K、20K、30K、40K | |
| 连接方式: | 法兰:FF、RF、RTJ、等 |
| 螺纹:(适用于 1”以下) | |
| 焊接:SW、BW | |
| 法兰距: | 符合IEC 534 |
| 阀盖形式: | 标准型、加长型(散热、低温、波纹管密封) |
| 填 料: | V型聚四氟乙烯、柔性石墨填料等 |
| 密封垫: | 金属夹石墨密封垫、聚四氟乙烯垫 |
| 执行机构: | 气动:多弹簧执行机构 、单弹簧执行机构 |
| 电动:3810L系列 、PSL系列 |
阀内部件:
| 阀芯型式: | 窗口式套筒 |
| 流量特性: | 等百分比、线性 、快开 |
| 内件材质: | 标准材质组合及使用温度、压力范围请参阅附录 |
表1.可提供的用户选择
| 阀体 | 型式 | 直通 | 阀盖 | 型式 | 标准、加长型 |
| 材质 | WCB、WC9、304、316等 | 材质 | WCB、WC9、304、316等 | ||
| 阀芯 | 特性 | 直线、等百分比、快开 | 填料 | “V”型PTFE、柔性石墨、波纹管 | |
| 材质 | 304、304+STL/PTFE、316、316+STL/PTFE | ||||
| 执行器 | 气动:见表8 | ||||
| 电动:见表7 | |||||
| 定位器 | 电气阀门定位器、智能型数字定位器 | ||||
| 附件 | 电磁阀、阀位反馈器、手操机构、保位阀、空气过滤减压器等 | ||||
材料及内部结构
表2.本体材质为碳钢
| 1 | 阀体 | WCB | LCB | WC9 |
| 2 | 垫片 | 316+石墨/PTFE | ||
| 3 | 螺栓 | 35 | 4MnB | 25Cr2Mo1VA |
| 4 | 套筒 | 304 | 304 | 304 |
| 5 | 螺母 | 25 | 35 | 25Cr2Mo1VA |
| 6 | 阀芯(杆) | 304 | 304 | 304 |
| 7 | 垫片 | 316+石墨/PTFE | ||
| 8 | 阀盖 | WCB | LCB | WC9 |
| 9 | 填料垫 | 304 | 304 | 304 |
| 10 | 填料 | PTFE/柔性石墨 | ||
| 11 | 压套螺母 | 304 | 304 | 304 |
表3.本体材质为不锈钢
| 1 | 阀体 | CF8 | CF8M | CF3M |
| 2 | 垫片 | 316+石墨/PTFE | ||
| 3 | 螺栓 | 304 | 316 | 316L |
| 4 | 套筒 | 304 | 316 | 316L |
| 5 | 螺母 | 304 | 316 | 316L |
| 6 | 阀芯(杆) | 304 | 316 | 316L |
| 7 | 垫片 | 316+石墨/PTFE | ||
| 8 | 阀盖 | CF8 | CF8M | WF3M |
| 9 | 填料垫 | 304 | 316 | 316L |
| 10 | 填料 | PTFE/柔性石墨 | ||
| 11 | 压套螺母 | 304 | 316 | 316L |

注:
1、以上为标准的配置结构,阀座为金属对金属,PTFE软阀座是VI级密封的可选件。还可提供用斯太莱合金涂层的硬化阀内件。针对具体使用温度,我们有更加合理的螺栓螺母选择。
2、PTFE V形环阀杆填料是的标准配置也可选用柔性石墨,一个配备石墨填料的加长型阀盖可用于温度超过232℃(450华氏温度)的场合。
3、标准的阀体材料是碳钢和不锈钢,还可以提供多种用于高腐蚀性应用场合的合金材料。
可提供的控制阀流量特性

等百分比特性阀瓣 直线特性阀瓣 快开特性阀瓣
表4.ZJHM系列气动薄膜套筒调节阀尺寸及缩腔型内件与行程额定Cv值:
| 阀门尺寸inch(mm) | 阀芯尺寸(mm) | 额定行程(mm) | 额定Cv值 | |||||||||
| 阀门开度%行程 | ||||||||||||
| 等百分比特性 | 直线特性 | |||||||||||
| 10% | 30% | 50% | 70% | 100% | 10% | 30% | 50% | 70% | 100% | |||
| 3/4 (20) |
8 | 16 | 0.09 | 0.17 | 0.34 | 0.95 | 1.6 | 0.27 | 0.68 | 1.09 | 1.49 | 1.8 |
| 10 | 0.14 | 0.27 | 0.53 | 1.48 | 2.5 | 0.42 | 1.06 | 1.69 | 2.32 | 2.8 | ||
| 15 | 0.22 | 0.43 | 0.85 | 2.37 | 4 | 0.67 | 1.66 | 2.65 | 3.65 | 4.4 | ||
| 20 | 0.34 | 0.68 | 1.35 | 3.74 | 6.3 | 1.05 | 2.60 | 4.16 | 5.72 | 6.9 | ||
| 1 (25) |
15 | 16 | 0.22 | 0.43 | 0.85 | 2.37 | 4 | 0.67 | 1.66 | 2.56 | 3.65 | 4.4 |
| 20 | 0.34 | 0.68 | 1.35 | 3.74 | 6.3 | 1.05 | 2.60 | 4.16 | 5.72 | 6.9 | ||
| 25 | 0.55 | 1.08 | 2.14 | 5.93 | 10 | 1.67 | 4.15 | 6.64 | 9.11 | 11 | ||
| 1 1/4 (32) |
20 | 25 | 0.34 | 0.68 | 1.35 | 3.74 | 6.3 | 1.05 | 2.60 | 4.16 | 5.72 | 6.9 |
| 25 | 0.55 | 1.08 | 2.14 | 5.93 | 10 | 1.67 | 4.15 | 6.64 | 9.11 | 11 | ||
| 32 | 0.87 | 1.73 | 3.42 | 9.49 | 16 | 2.67 | 6.63 | 10.62 | 14.58 | 17.6 | ||
| 1 1/2 (40) |
25 | 25 | 0.55 | 1.08 | 2.14 | 5.93 | 10 | 1.67 | 4.15 | 6.64 | 9.11 | 11 |
| 32 | 0.87 | 1.73 | 3.42 | 9.49 | 16 | 2.67 | 6.63 | 10.62 | 14.58 | 17.6 | ||
| 40 | 1.36 | 2.72 | 5.35 | 14.82 | 25 | 4.17 | 10.37 | 16.59 | 22.79 | 27.5 | ||
| 2 (50) |
32 | 25 | 0.87 | 1.73 | 3.42 | 9.49 | 16 | 2.67 | 6.63 | 10.62 | 14.58 | 17.6 |
| 40 | 1.36 | 2.72 | 5.35 | 14.82 | 25 | 4.17 | 10.37 | 16.59 | 22.79 | 27.5 | ||
| 50 | 2.18 | 4.32 | 8.54 | 23.71 | 40 | 6.67 | 16.68 | 26.56 | 36.46 | 44 | ||
| 2 1/2 (65) | 40 | 40 | 1.36 | 2.72 | 5.35 | 14.82 | 25 | 4.17 | 10.37 | 16.59 | 22.79 | 27.5 |
| 50 | 2.18 | 4.32 | 8.54 | 23.71 | 40 | 6.67 | 16.58 | 26.56 | 36.46 | 44 | ||
| 65 | 3.34 | 6.81 | 13.45 | 37.35 | 63 | 10.47 | 20.01 | 41.63 | 57.17 | 69 | ||
| 3 (80) |
50 | 40 | 2.18 | 4.32 | 8.54 | 23.71 | 40 | 6.67 | 16.58 | 26.56 | 36.46 | 44 |
| 65 | 3.34 | 6.81 | 13.45 | 37.35 | 63 | 10.47 | 26.01 | 41.63 | 57.17 | 69 | ||
| 80 | 5.45 | 10.81 | 21.36 | 59.28 | 100 | 16.69 | 41.46 | 66.37 | 91.14 | 110 | ||
| 4 (100) |
65 | 40 | 3.34 | 6.81 | 13.45 | 37.35 | 63 | 10.47 | 26.01 | 41.63 | 57.17 | 69 |
| 80 | 5.45 | 10.81 | 21.36 | 59.28 | 100 | 16.69 | 41.46 | 66.37 | 91.14 | 110 | ||
| 100 | 8.72 | 17.29 | 34.17 | 94.85 | 160 | 26.70 | 66.34 | 106.2 | 145.8 | 176 | ||
| 5 (125) |
80 | 60 | 13.62 | 10.81 | 21.36 | 59.28 | 100 | 16.69 | 41.46 | 66.37 | 91.14 | 110 |
| 100 | 21.80 | 17.29 | 34.17 | 94.85 | 160 | 26.70 | 66.34 | 106.2 | 145.8 | 176 | ||
| 125 | 13.62 | 27.06 | 53.40 | 148.2 | 250 | 41.72 | 103.7 | 165.9 | 227.9 | 275 | ||
| 6 (150) |
100 | 60 | 21.80 | 17.29 | 34.17 | 94.85 | 160 | 26.70 | 66.34 | 106.2 | 145.8 | 176 |
| 125 | 13.62 | 27.06 | 53.40 | 148.2 | 250 | 41.72 | 103.7 | 165.9 | 227.9 | 275 | ||
| 150 | 21.80 | 43.23 | 85.42 | 237.1 | 400 | 66.75 | 165.85 | 265.5 | 364.6 | 440 | ||
| 8 (200) |
125 | 60 | 13.62 | 27.06 | 53.40 | 148.2 | 250 | 71.72 | 103.7 | 165.9 | 227.9 | 275 |
| 150 | 21.80 | 43.23 | 85.42 | 237.1 | 400 | 66.75 | 165.85 | 265.5 | 364.6 | 440 | ||
| 200 | 34.34 | 68.08 | 134.5 | 373.5 | 630 | 104.7 | 260.1 | 416.3 | 571.7 | 690 | ||
图1.ZJHM系列等百分比特性曲线

图2.ZJHM系列气动薄膜套筒调节阀 直线特性曲线

ZJHM系列气动薄膜套筒调节阀最大允许压差:
表5.多弹簧薄膜式执行机构 单位:Mpa
| 气行机构规格 | 气源压力Kpa |
弹簧范围 Kpa |
阀芯尺寸 Inch(mm) | ||||||||||
|
3/4 20 |
1 25 |
1 1/4 32 |
1 1/2 40 |
2 50 |
2 1/2 65 |
3 80 |
4 400 |
5 125 |
6 150 |
8 200 |
|||
| ZHB22 | 140 | 20~100 | 1.17 | 0.75 | – | – | – | – | – | – | – | – | – |
| 240 | 40~200 | 2.73 | 1.75 | – | – | – | – | – | – | – | – | – | |
| 300 | 80~240 | 5.85 | 3.75 | – | – | – | – | – | – | – | – | – | |
| ZHB23 | 140 | 20~100 | 1.64 | 1.05 | 0.63 | 0.4 | 0.26 | – | – | – | – | – | – |
| 240 | 40~200 | 3.82 | 2.45 | 1.49 | 0.96 | 0.61 | – | – | – | – | – | – | |
| 300 | 80~240 | 8.19 | 5.24 | 3.19 | 2.05 | 1.31 | – | – | – | – | – | – | |
| ZHB34 | 140 | 20~100 | – | – | 1.02 | 0.66 | 0.42 | 0.24 | 0.16 | 0.10 | – | – | – |
| 240 | 40~200 | – | – | 2.38 | 1.53 | 0.98 | 0.58 | 0.38 | 0.24 | – | – | – | |
| 300 | 80~240 | – | – | 5.12 | 3.28 | 2.10 | 1.24 | 0.82 | 0.52 | – | – | – | |
| ZHB45 | 140 | 20~100 | – | – | – | – | – | 0.40 | 0.26 | 0.17 | 0.11 | 0.07 | 0.02 |
| 240 | 40~200 | – | – | – | – | – | 0.93 | 0.61 | 0.39 | 0.25 | 0.17 | 0.07 | |
| 300 | 80~240 | – | – | – | – | – | 1.98 | 1.32 | 0.84 | 0.54 | 0.37 | 0.16 | |
※以上推荐使用压差等只是相对而言,针对各种压差会有多种配置组合,对于复杂的控制系统请您与我们技术部门联系,我们有多年的过程控制产品生产的经验,为您提供更合理的执行机构配置。
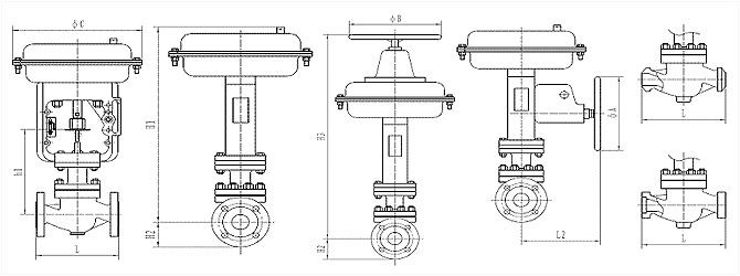
表6-配置ZH系列气动执行机构控制阀外形尺寸 单位: mm

| 阀门尺寸 | L | H1 | H2 | h1 | H3 | C | B | A | L2 | 执行机构 | ||||||
| inch | mm | ANSI150 PN16、25 | ANSI300 PN40 | ANSI600PN64、100 | ||||||||||||
| 3/4 | 20 | 184 | 7.25 | 184 | 7.25 | 206 | 8.12 | 425 | 53 | 213 | 704 | 288 | 200 | 200 | 289 | ZHB-22 |
| 1 | 25 | 184 | 7.25 | 184 | 7.25 | 210 | 8.25 | 435 | 58 | 218 | 710 | 288 | 200 | 200 | 289 | ZHB-22 |
| 1 1/4 | 32 | 200 | 7.87 | 200 | 7.87 | 251 | 9.88 | 448 | 70 | 231 | 722 | 288 | 200 | 200 | 289 | ZHB-22 |
| 1 1/2 | 40 | 222 | 8.75 | 222 | 8.75 | 251 | 9.88 | 448 | 75 | 231 | 722 | 288 | 200 | 200 | 289 | ZHB-23 |
| 2 | 50 | 254 | 10 | 254 | 10 | 286 | 11.25 | 487 | 83 | 255 | 740 | 288 | 200 | 200 | 289 | ZHB-23 |
| 2 1/2 | 65 | 276 | 10.88 | 276 | 10.88 | 311 | 12.25 | 628 | 93 | 311 | 884 | 360 | 355 | 355 | 347 | ZHB-34 |
| 3 | 80 | 298 | 11.75 | 317 | 12.50 | 337 | 13.25 | 645 | 98 | 328 | 902 | 360 | 355 | 355 | 347 | ZHB-34 |
| 4 | 100 | 352 | 13.88 | 368 | 14.50 | 394 | 15.50 | 656 | 115 | 328 | 913 | 360 | 355 | 355 | 347 | ZHB-34 |
| 5 | 125 | 420 | 16.53 | 400 | 15.75 | 500 | 19.69 | 806 | 125 | 389 | 1274 | 470 | 570 | 570 | 476 | ZHB-45 |
| 6 | 150 | 451 | 17.75 | 473 | 18.62 | 508 | 20.00 | 857 | 143 | 440 | 1325 | 470 | 570 | 570 | 476 | ZHB-45 |
| 8 | 200 | 600 | 21.38 | 568 | 22.38 | 610 | 24 | 926 | 180 | 514 | 1394 | 470 | 570 | 570 | 476 | ZHB-45 |
※由于产品改进和技术创新或者一些特殊要求,各种阀门的连接尺寸可能会有所变化,请联系我们技术部门,以得到最新的产品资料。我们也可按照你的现场要求定做特殊的结构尺寸的阀门。阀门的法兰焊接坡口等尺寸连接按照各种标准的相关要求。