Tag Archives: 电动硬密封蝶阀

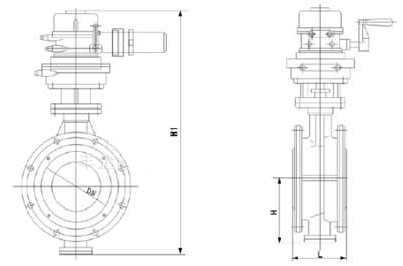
电动硬密封蝶阀 D943H

电动硬密封蝶阀 D943H

我厂引进能够国外先进技术的基础上,采用精密的J形弹性密封圈和三偏心多层次金属硬密封结构,被广泛用于介质温度≤425℃的治金 、电力、石油化工、以及给排水和市政建设等工业管道上,作调节流量和载断流体使用。该阀采用三偏心结构,阀座与碟板密封面均采用不同硬度和不锈钢制作,具有良好的耐腐蚀性,使用寿命长,本阀军邮双向密封功能,产品符合国家GB/T13927-92阀门压力试验标准。

蝶阀选型、原理、作用、结构

    蝶阀说明书 金属硬密封焊接蝶阀 对夹蝶阀 法兰蝶阀 焊接蝶阀 硬密封蝶阀 软密封蝶阀 衬氟蝶阀 衬胶蝶阀 不锈钢蝶阀 碳钢蝶阀 铸钢蝶阀 黄铜蝶阀 调节蝶阀 偏心蝶阀 通风蝶阀 伸缩蝶阀 信号蝶阀 手动蝶阀 蜗轮蝶阀 气动蝶阀 电动蝶阀 真空蝶阀 塑料蝶阀 美标蝶阀 日标蝶阀 德标蝶阀 中线蝶阀 偏心蝶阀 高温蝶阀 衬里蝶阀 高性能蝶阀 大口径蝶阀 切断蝶阀 液控蝶阀 止回蝶阀 橡胶蝶阀 快关蝶阀 卡箍蝶阀 煤气蝶阀 高压蝶阀 重锤式蝶阀 自动蝶阀 开关蝶阀 快开蝶阀 弹性硬密封蝶阀 多层次硬密封蝶阀 不锈钢硬密封蝶阀 四氟密封蝶阀 防结露蝶阀 凸耳式蝶阀 管网式法兰蝶阀 翻板式密封蝶阀 焊接式硬密封蝶阀 加长杆对夹式蝶阀 加长杆法兰蝶阀 进口日本蝶阀 进口美国蝶阀 进口德国蝶阀 进口英国蝶阀 进口法国蝶阀 高真空蝶阀 气动高真空蝶阀 电动高真空蝶阀蝶阀是指关闭件(阀瓣或蝶板)为圆盘,围绕阀轴旋转来达到开启与关闭的一种阀,在管道上主要起切断和节流用。
    尼威阀门——蝶阀系列产品: 进口蝶阀、德国进口蝶阀、英国进口蝶阀、日本进口蝶阀、美国进口蝶阀。对夹式蝶阀、对焊式蝶阀、法兰蝶阀。气动蝶阀、气动真空蝶阀、气动法兰蝶阀D643、D641、气动对夹蝶阀D671、D673、气动软密封蝶阀D671、D672、D641、气动硬密封蝶阀D673H、D643H、D663H、电动蝶阀、电动对夹蝶阀D973、D971、电动法兰蝶阀D941、D943、电动软密封蝶阀D971X、D972X、D941X、电动硬密封蝶阀D943H、D973H、D963H。手动蝶阀D71、D73、D41、D43、D63、蜗轮蝶阀D373、D343、D371、D341、D363。偏心硬密封蝶阀、多层次硬密封蝶阀、弹性硬密封蝶阀、手动软密封蝶阀、单偏心软密封蝶阀FBEX、WBGX、WBEX、WBLX、FBPX、WBPX。伸缩蝶阀SD343H、SD341X。支耳式蝶阀LTD371X。信号蝶阀WBSX(XD371X)。衬胶蝶阀D371J。衬氟蝶阀D341F、半衬蝶阀D371FH。保温蝶阀BD343H。高温蝶阀、高压蝶阀、双向压硬密封D373、D343H-100C/P。通风蝶阀D341W/D941W-6、电动通风多叶蝶阀DBD-0.5。电动调节蝶阀ZAJW-0.6。塑料蝶阀D71X/371X-6S。手动真空蝶阀GI。不锈钢蝶阀、铝合金蝶阀、铸钢蝶阀、铸铁蝶阀、中线蝶阀。无销蝶阀、卫生级蝶阀等系列产品
进口蝶阀 蝶阀结构图 蝶阀标准 蝶阀详细资料 蝶阀型号 蝶阀作/应用 蝶阀尺寸 蝶阀价格表 蝶阀规格 蝶阀工作原理 蝶阀安装示意图
    蝶阀内部结构图阀体材质:铸铁、铸钢、不锈钢、铬钼钢、铝合金、黄铜,密封面材质:H、J、F46、Y、W。工作压力0.6-10MPA,工作温度-40°C- 550°C。阀门口径 DN15-DN1000。连接方式:法兰、焊接、对夹。传动方式: 手动、蜗轮、气动、电动。适用介质:水、油品、气体、蒸汽、泥浆水、酸类等。 制造标准:(配置的法兰标准)国标、美标、日标。
蝶阀启闭件是一个圆盘形的蝶板,在阀体内绕其自身的轴线旋转,从而达到启闭或调节的目的。蝶阀全开到全关通常是小于90° ,蝶阀和蝶杆本身没有自锁能力,为了蝶板的定位,要在阀杆上加装蜗轮减速器。采用蜗轮减速器,不仅可以使蝶板具有自锁能力,使蝶板停止在任意位置上,还能改善阀门的操作性能。工业专用蝶阀的特点能耐高温,适用压力范围也较高,阀门公称通径大,阀体采用碳钢制造,阀板的密封圈采用金属环代替橡胶环。大型高温蝶阀采用钢板焊接制造,主要用于高温介质的烟风道和煤气管道。
蝶阀的优点如下:
    1、启闭方便迅速、省力、流体阻力小,可以经常操作。
    2、结构简单,体积小,重量轻。
    3、可以运送泥浆,在管道口积存液体最少。
    4、低压下,可以实现良好的密封。
    5、调节性能好。
蝶阀的缺点如下:
    1、使用压力和工作温度范围小。
    2、密封性较差。蝶阀按结构形式可分为偏置板式、垂直板式、斜板式和杠杆式。按密封形式可分为较密封型和硬密封型两种。软密封型一般采用橡胶环密封,硬密封型通常采用金属环密封。按连接型式可分为法兰连接和对夹式连接;按传动方式可分为手动、齿轮传动、气动、液动和电动几种。
蝶阀的安装与维护应注意以下事项:
    1、在安装时,阀瓣要停在关闭的位置上。
    2、开启位置应按蝶板的旋转角度来确定。
    3、带有旁通阀的蝶阀,开启前应先打开旁通阀。
    4、重量大的蝶阀,应设置牢固的基础。
    尼威蝶阀系列产品已广泛应用于各种化工、液化气、给排水、食品、制药、锅炉蒸汽系统、矿产、造纸、发电、城建、市政、等领域,以及居民日常生活中。费歇尔产品畅销全国各地,优质的质量,高效的服务,深得用户的信赖和广泛的赞誉。

电动硬密封蝶阀 D943H

电动硬密封蝶阀 D943H

我厂引进能够国外先进技术的基础上,采用精密的J形弹性密封圈和三偏心多层次金属硬密封结构,被广泛用于介质温度≤425℃的治金 、电力、石油化工、以及给排水和市政建设等工业管道上,作调节流量和载断流体使用。该阀采用三偏心结构,阀座与碟板密封面均采用不同硬度和不锈钢制作,具有良好的耐腐蚀性,使用寿命长,本阀军邮双向密封功能,产品符合国家GB/T13927-92阀门压力试验标准。

蝶阀选型、原理、作用、结构

    蝶阀说明书 金属硬密封焊接蝶阀 对夹蝶阀 法兰蝶阀 焊接蝶阀 硬密封蝶阀 软密封蝶阀 衬氟蝶阀 衬胶蝶阀 不锈钢蝶阀 碳钢蝶阀 铸钢蝶阀 黄铜蝶阀 调节蝶阀 偏心蝶阀 通风蝶阀 伸缩蝶阀 信号蝶阀 手动蝶阀 蜗轮蝶阀 气动蝶阀 电动蝶阀 真空蝶阀 塑料蝶阀 美标蝶阀 日标蝶阀 德标蝶阀 中线蝶阀 偏心蝶阀 高温蝶阀 衬里蝶阀 高性能蝶阀 大口径蝶阀 切断蝶阀 液控蝶阀 止回蝶阀 橡胶蝶阀 快关蝶阀 卡箍蝶阀 煤气蝶阀 高压蝶阀 重锤式蝶阀 自动蝶阀 开关蝶阀 快开蝶阀 弹性硬密封蝶阀 多层次硬密封蝶阀 不锈钢硬密封蝶阀 四氟密封蝶阀 防结露蝶阀 凸耳式蝶阀 管网式法兰蝶阀 翻板式密封蝶阀 焊接式硬密封蝶阀 加长杆对夹式蝶阀 加长杆法兰蝶阀 进口日本蝶阀 进口美国蝶阀 进口德国蝶阀 进口英国蝶阀 进口法国蝶阀 高真空蝶阀 气动高真空蝶阀 电动高真空蝶阀蝶阀是指关闭件(阀瓣或蝶板)为圆盘,围绕阀轴旋转来达到开启与关闭的一种阀,在管道上主要起切断和节流用。
    尼威阀门——蝶阀系列产品: 进口蝶阀、德国进口蝶阀、英国进口蝶阀、日本进口蝶阀、美国进口蝶阀。对夹式蝶阀、对焊式蝶阀、法兰蝶阀。气动蝶阀、气动真空蝶阀、气动法兰蝶阀D643、D641、气动对夹蝶阀D671、D673、气动软密封蝶阀D671、D672、D641、气动硬密封蝶阀D673H、D643H、D663H、电动蝶阀、电动对夹蝶阀D973、D971、电动法兰蝶阀D941、D943、电动软密封蝶阀D971X、D972X、D941X、电动硬密封蝶阀D943H、D973H、D963H。手动蝶阀D71、D73、D41、D43、D63、蜗轮蝶阀D373、D343、D371、D341、D363。偏心硬密封蝶阀、多层次硬密封蝶阀、弹性硬密封蝶阀、手动软密封蝶阀、单偏心软密封蝶阀FBEX、WBGX、WBEX、WBLX、FBPX、WBPX。伸缩蝶阀SD343H、SD341X。支耳式蝶阀LTD371X。信号蝶阀WBSX(XD371X)。衬胶蝶阀D371J。衬氟蝶阀D341F、半衬蝶阀D371FH。保温蝶阀BD343H。高温蝶阀、高压蝶阀、双向压硬密封D373、D343H-100C/P。通风蝶阀D341W/D941W-6、电动通风多叶蝶阀DBD-0.5。电动调节蝶阀ZAJW-0.6。塑料蝶阀D71X/371X-6S。手动真空蝶阀GI。不锈钢蝶阀、铝合金蝶阀、铸钢蝶阀、铸铁蝶阀、中线蝶阀。无销蝶阀、卫生级蝶阀等系列产品
进口蝶阀 蝶阀结构图 蝶阀标准 蝶阀详细资料 蝶阀型号 蝶阀作/应用 蝶阀尺寸 蝶阀价格表 蝶阀规格 蝶阀工作原理 蝶阀安装示意图
    蝶阀内部结构图阀体材质:铸铁、铸钢、不锈钢、铬钼钢、铝合金、黄铜,密封面材质:H、J、F46、Y、W。工作压力0.6-10MPA,工作温度-40°C- 550°C。阀门口径 DN15-DN1000。连接方式:法兰、焊接、对夹。传动方式: 手动、蜗轮、气动、电动。适用介质:水、油品、气体、蒸汽、泥浆水、酸类等。 制造标准:(配置的法兰标准)国标、美标、日标。
蝶阀启闭件是一个圆盘形的蝶板,在阀体内绕其自身的轴线旋转,从而达到启闭或调节的目的。蝶阀全开到全关通常是小于90° ,蝶阀和蝶杆本身没有自锁能力,为了蝶板的定位,要在阀杆上加装蜗轮减速器。采用蜗轮减速器,不仅可以使蝶板具有自锁能力,使蝶板停止在任意位置上,还能改善阀门的操作性能。工业专用蝶阀的特点能耐高温,适用压力范围也较高,阀门公称通径大,阀体采用碳钢制造,阀板的密封圈采用金属环代替橡胶环。大型高温蝶阀采用钢板焊接制造,主要用于高温介质的烟风道和煤气管道。
蝶阀的优点如下:
    1、启闭方便迅速、省力、流体阻力小,可以经常操作。
    2、结构简单,体积小,重量轻。
    3、可以运送泥浆,在管道口积存液体最少。
    4、低压下,可以实现良好的密封。
    5、调节性能好。
蝶阀的缺点如下:
    1、使用压力和工作温度范围小。
    2、密封性较差。蝶阀按结构形式可分为偏置板式、垂直板式、斜板式和杠杆式。按密封形式可分为较密封型和硬密封型两种。软密封型一般采用橡胶环密封,硬密封型通常采用金属环密封。按连接型式可分为法兰连接和对夹式连接;按传动方式可分为手动、齿轮传动、气动、液动和电动几种。
蝶阀的安装与维护应注意以下事项:
    1、在安装时,阀瓣要停在关闭的位置上。
    2、开启位置应按蝶板的旋转角度来确定。
    3、带有旁通阀的蝶阀,开启前应先打开旁通阀。
    4、重量大的蝶阀,应设置牢固的基础。
    尼威蝶阀系列产品已广泛应用于各种化工、液化气、给排水、食品、制药、锅炉蒸汽系统、矿产、造纸、发电、城建、市政、等领域,以及居民日常生活中。费歇尔产品畅销全国各地,优质的质量,高效的服务,深得用户的信赖和广泛的赞誉。