Tag Archives: 蝶式止回阀

高压止回阀简介

高压止回阀是指依靠介质本身流动而自动 开、闭阀瓣,用来防止介质倒流的阀门,又称逆止阀 、单向阀、逆流阀、和背压阀。止回阀属于一种自动阀门,其主要作用是防止介质倒流、防止泵及驱动电动机反转,以及容器介质的泄放。止回阀还可用于给其中的压力可能升至超过系统压的辅助系统提供补给的管路上。止回阀主要可分为旋启式止回阀(依重心旋转)与升降式止回阀(沿轴线移动)。

水工业管道用微阻缓闭蝶式止回阀通用技术

水工业管道用微阻缓闭蝶式止回阀 通用技术
1法兰连接微阻缓闭蝶式止回阀的结构长度尺寸应按GB/T12221的规定或按用户约定,蝶形止回阀开启时,蝶板伸出长度不应影响操作
现将标准有关内容介绍如下:
    该标准适用公称压力PN4.0MPa,公称通径DN4000mm,工作温度不大于80℃,工作介质为饮用水、原水、工业循环水、海水、污水及其他非腐蚀性介质的法兰连接的微阻缓闭蝶式止回阀。
标准中技术要求如下:
1法兰连接微阻缓闭蝶式止回阀的结构长度尺寸应按GB/T12221的规定或按用户约定,蝶形止回阀开启时,蝶板伸出长度不应影响使用。
2法兰连接尺寸、密封面型式应符合GB/T17241.6、GB/T17241.7或GB/T9112的规定。
3阀体的最小壁厚应符合GB/T12236、GB/T12238或GB/T13932标准的规定。
4材料
4.1微阻缓闭蝶式止回阀的阀体、阀盖、阀瓣(蝶板)、阀轴等主要零件材料应按GB/T12236、GB/T12238或GB/T13932的规定。
4.2缓闭装置阻尼活塞缸的材料应满足系统压力的要求,活塞、活塞杆的表面应镀硬铬,活塞、活塞杆密封圈应采用栈晴橡胶等耐油材料。
4.3给水用微阻缓闭蝶式止回阀阀体内腔及其他与水接触的金属零件所采用的防腐涂料和橡胶密封件应无毒无味。
5微阻缓闭蝶式止回阀的关闭过程应分速闭及缓闭两个阶段,其缓闭时间应可调。
6微阻缓闭蝶式止回阀的逆止阀瓣的缓闭开度即缓闭活塞伸出长度应全程可调。
7微阻缓闭蝶式止回阀的逆止阀瓣(蝶板)应启闭灵活,无卡阻现象。
8缓闭装置中的阻尼活塞必须动作灵敏,当逆上阀瓣(蝶板)开启时能自动迅速伸出到预定工作位置,当逆止阀瓣(蝶板)关闭到缓闭位置时能起有效的缓闭作用。缓闭装置中的阻尼活塞缸的容量应与使用的调节阀等匹配,避免阻尼活塞缸和管道的力过高,达到可调和消锤的目的。
9外阻尼微阻缓闭蝶式止回阀、液控蝶形止回阀的缓闭装置应附设监控阻尼介质液位的机构。
10微阻缓闭回阀不允许带有固体颗粒的原水、污水等直接进入缓闭装置内,以免堵塞或损伤密封件。
11液控蝶形止回阀、蝶形微阻缓闭蝶式止回阀应设有正确显示蝶板开度位置的指示机构。
12液控蝶形止回阀应设置重锤或蓄能器作为附加力源,以备断电时自动关闭阀门。
13缓闭装置有关连接、传动和支撑件应有足够的强度和刚性。
14液动装置:标准液压件和电气部件应选用质量可靠、性能良好、寿命长的产品,并应按各自相关标准的规定进行试验,合格后方能使用。液动装置装配后,应进行各项参数性能试验和调整,使其符合阀门”缓闭”的设计要求。
15微阻缓闭蝶式止回阀的外部漆层、色泽应均匀一致,外表应光滑平整,不应有伤痕、流挂、起泡和明显裂纹等缺陷。

3种常见的止回阀内部结构形式

3种常见的止回阀内部结构形式

  止回阀内部结构形式常见的有球形、旋启式、活塞式,当然球形和活塞式属于升降式系列。球形止回阀内部结构示意图、旋启式止回阀内部结构示意图、活塞式止回阀内部结构示意图分别如下图所示。

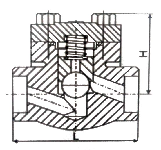
对夹蝶形止回阀图片,型号,参数,结构长度,重量

对夹蝶形止回阀图片,型号,参数,结构长度,重量

  对夹蝶形止回阀的命名是根据止回阀结构形式而来,止回阀结构形式代号7表示蝶形止回式,并且连接方式为对夹,所以其阀门型号为H77。对夹式蝶形止回阀公称压力PN有1.0MPa、1.6MPa,公称通径DN有50、65、80、100、125、150、200、250、300、350、400、450、500、600,常用阀体材质有铸铁、碳钢、不锈钢、合金钢等。

15个常见阀门型号相关问题解释

  j41h-16c截止阀材料是什么?   j41h-16c中的h表示其密封材质为Cr13不锈钢,c表示阀体材质为碳钢。

高压止回阀简介

高压止回阀是指依靠介质本身流动而自动 开、闭阀瓣,用来防止介质倒流的阀门,又称逆止阀 、单向阀、逆流阀、和背压阀。止回阀属于一种自动阀门,其主要作用是防止介质倒流、防止泵及驱动电动机反转,以及容器介质的泄放。止回阀还可用于给其中的压力可能升至超过系统压的辅助系统提供补给的管路上。止回阀主要可分为旋启式止回阀(依重心旋转)与升降式止回阀(沿轴线移动)。

水工业管道用微阻缓闭蝶式止回阀通用技术

水工业管道用微阻缓闭蝶式止回阀 通用技术
1法兰连接微阻缓闭蝶式止回阀的结构长度尺寸应按GB/T12221的规定或按用户约定,蝶形止回阀开启时,蝶板伸出长度不应影响操作
现将标准有关内容介绍如下:
    该标准适用公称压力PN4.0MPa,公称通径DN4000mm,工作温度不大于80℃,工作介质为饮用水、原水、工业循环水、海水、污水及其他非腐蚀性介质的法兰连接的微阻缓闭蝶式止回阀。
标准中技术要求如下:
1法兰连接微阻缓闭蝶式止回阀的结构长度尺寸应按GB/T12221的规定或按用户约定,蝶形止回阀开启时,蝶板伸出长度不应影响使用。
2法兰连接尺寸、密封面型式应符合GB/T17241.6、GB/T17241.7或GB/T9112的规定。
3阀体的最小壁厚应符合GB/T12236、GB/T12238或GB/T13932标准的规定。
4材料
4.1微阻缓闭蝶式止回阀的阀体、阀盖、阀瓣(蝶板)、阀轴等主要零件材料应按GB/T12236、GB/T12238或GB/T13932的规定。
4.2缓闭装置阻尼活塞缸的材料应满足系统压力的要求,活塞、活塞杆的表面应镀硬铬,活塞、活塞杆密封圈应采用栈晴橡胶等耐油材料。
4.3给水用微阻缓闭蝶式止回阀阀体内腔及其他与水接触的金属零件所采用的防腐涂料和橡胶密封件应无毒无味。
5微阻缓闭蝶式止回阀的关闭过程应分速闭及缓闭两个阶段,其缓闭时间应可调。
6微阻缓闭蝶式止回阀的逆止阀瓣的缓闭开度即缓闭活塞伸出长度应全程可调。
7微阻缓闭蝶式止回阀的逆止阀瓣(蝶板)应启闭灵活,无卡阻现象。
8缓闭装置中的阻尼活塞必须动作灵敏,当逆上阀瓣(蝶板)开启时能自动迅速伸出到预定工作位置,当逆止阀瓣(蝶板)关闭到缓闭位置时能起有效的缓闭作用。缓闭装置中的阻尼活塞缸的容量应与使用的调节阀等匹配,避免阻尼活塞缸和管道的力过高,达到可调和消锤的目的。
9外阻尼微阻缓闭蝶式止回阀、液控蝶形止回阀的缓闭装置应附设监控阻尼介质液位的机构。
10微阻缓闭回阀不允许带有固体颗粒的原水、污水等直接进入缓闭装置内,以免堵塞或损伤密封件。
11液控蝶形止回阀、蝶形微阻缓闭蝶式止回阀应设有正确显示蝶板开度位置的指示机构。
12液控蝶形止回阀应设置重锤或蓄能器作为附加力源,以备断电时自动关闭阀门。
13缓闭装置有关连接、传动和支撑件应有足够的强度和刚性。
14液动装置:标准液压件和电气部件应选用质量可靠、性能良好、寿命长的产品,并应按各自相关标准的规定进行试验,合格后方能使用。液动装置装配后,应进行各项参数性能试验和调整,使其符合阀门”缓闭”的设计要求。
15微阻缓闭蝶式止回阀的外部漆层、色泽应均匀一致,外表应光滑平整,不应有伤痕、流挂、起泡和明显裂纹等缺陷。